Application by Part Number
Application by Model
Application by OEM Part Number
Application by Engine Code
Catalog by Part Number
Catalog by Cartridge Number
Catalog by I.H.I. Code
Catalog by Gasket Kits
Catalog by OEM Part Number
Gaskets
Where used
Home
Turbos
Products
Concepts
Technical Data
Procedures
Applications
Passenger Cars
Trucks
Offway
Agriculture
Marine
Engines
Racing
Precleaners
Turbo I
Turbo II
Turbo III
Flex-in-line
Power Ram
Applications
Photos
Gaskets
Gaskets
Fittings
Studs
Hoses
Catalogs
Garrett
Holset
KKK
Schwitzer
IHI
Mitsubishi
Hitachi
CZ
Toyota
Komatsu
Bosch Mahle
Tools
Boost Adviser for iPhone / iPad
Repair List
Angles Garrett
Angles Holset
Dictionary
Downloads
06:58:59
- Fri, Nov 21, 2025 -
10°C
TurboMaster
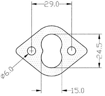
Gaskets
Gasket 210234
210234
TOYOTA
CT12,CT20,CT26
Gasket paper